Vacuum Accessories
Ultra High Vacuum CF Flange Stainless Steel Sapphire Glass Observation Sight Window
Item Number : KT-VA01
Price varies based on specs and customizations
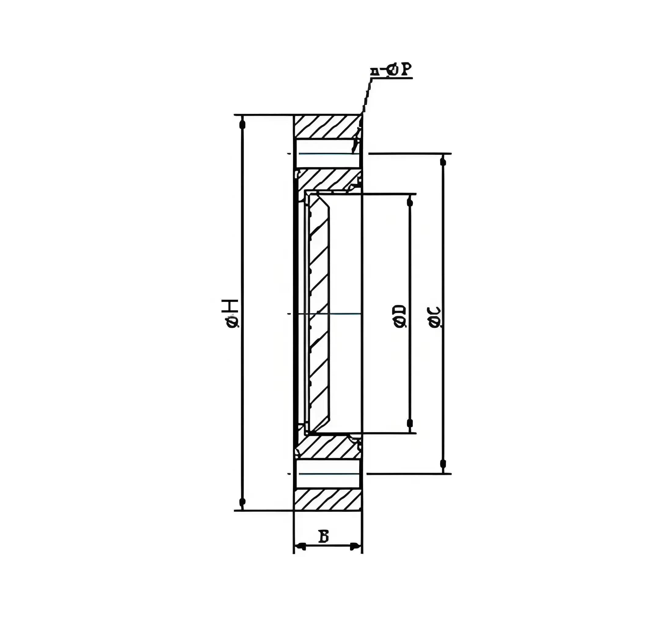
- Flange Size (ΦH)
- 34~253
- Bolt Circle Diameter (ΦC)
- 27~231.9
- Viewing Diameter (ΦD)
- 14~146
Shipping:
Contact us to get shipping details Enjoy On-time Dispatch Guarantee.
Why Choose Us
Easy ordering process, quality products, and dedicated support for your business success.
Detail & Parts





Technical specifications

| Model | ΦH | ΦC | ΦD | n-ΦP | B |
|---|---|---|---|---|---|
| CF 16 | 34 | 27 | 14 | 6-Φ4.3 | 18 |
| CF 25 | 54 | 43 | 23 | 6-Φ6.6 | 14 |
| CF 35 | 70 | 58.7 | 38 | 6-Φ6.6 | 16 |
| CF 50 | 86 | 72.4 | 50 | 8-Φ8.4 | 17 |
| CF 63 | 114 | 92.2 | 62 | 8-Φ8.4 | 20 |
| CF 100 | 152 | 130.3 | 95 | 16-Φ8.4 | 20 |
| CF 150 | 202 | 181.1 | 146 | 20-Φ8.4 | 22 |
| CF 200 | 253 | 231.9 | 146 | 24-Φ8.4 | 24.5 |
Achieve Unparalleled Performance with Our CF Sapphire Observation Windows
Our CF Ultra-High Vacuum Observation Windows, featuring sapphire glass and stainless steel flanges, are meticulously engineered for critical applications that demand pristine vacuum conditions and clear, reliable observation. Elevate your research and manufacturing processes with a component designed for excellence.
Crystal-Clear Viewing with Superior Sapphire Glass
- Unmatched Clarity for Precise Monitoring: With an exceptional light transmittance of over 92%, our sapphire glass provides an incredibly clear view into your vacuum chamber. This is essential for precise control, accurate monitoring, and detailed observation of your processes.
- Exceptional Durability & Longevity: Sapphire glass boasts a Mohs hardness of 9, making it second only to diamond in hardness. This translates to outstanding scratch and wear resistance, ensuring a long service life and sustained optical clarity even in demanding operational environments.
Robust Sealing & Construction for Ultra-High Vacuum Integrity
- Dependable Performance in Extreme Conditions: Crafted from high-quality stainless steel, the flange offers superior strength, excellent corrosion resistance, and robust structural integrity. This ensures reliable performance and a long operational life under UHV conditions.
- Maintain Critical Vacuum Levels: The precision-engineered flange design guarantees excellent sealing performance, suitable for ultra-high vacuum environments typically at pressures below 10-9 Torr. This is vital for maintaining a stable and reliable vacuum, crucial for sensitive experiments and processes.
Designed for Your Workflow & Application Needs
- Effortless Integration & Maintenance: Adhering to ConFlat (CF) standards, the flange design ensures quick, straightforward installation and easy maintenance. This minimizes downtime, simplifies setup, and ensures compatibility with existing UHV systems.
- Versatile Specifications for Diverse Requirements: We offer a comprehensive range of flange sizes and sapphire glass dimensions to cater to a wide array of experimental setups and industrial applications. Find the perfect fit for your unique needs.
Applications: Where Precision Viewing Matters
The CF ultra-high vacuum observation window is an indispensable component for high-end scientific research and advanced industrial applications requiring ultra-high vacuum environments (typically below 10-9 Torr). Key applications include:
- Semiconductor Manufacturing: Enabling clear observation and precise control during critical fabrication processes of semiconductor devices.
- Vacuum Coating: Allowing for real-time monitoring of thin-film deposition processes within vacuum chambers to ensure coating uniformity and quality.
- Optical Instruments: Providing optically clear viewports in complex optical setups and instruments that operate under ultra-high vacuum conditions.
- Aerospace Engineering: Supporting vital research, development, and testing in aerospace applications that demand stringent ultra-high vacuum environments.
- Scientific Research Experiments: Facilitating a wide range of experiments in physics, chemistry, materials science, and surface science that require UHV conditions for accurate results.
Engineered for Excellence: Working Principle
The CF ultra-high vacuum observation window functions through the precise integration of a high-quality stainless steel ConFlat (CF) flange with a high-purity sapphire glass sight glass. The stainless steel flange provides the robust structural support and creates a reliable, metal-to-metal seal essential for UHV. The sapphire glass, chosen for its exceptional optical and mechanical properties, allows for clear, undistorted observation into the vacuum chamber without compromising the vacuum integrity. This meticulous combination of materials ensures the window can withstand the extreme conditions of an ultra-high vacuum environment, maintaining both its structural integrity and optical clarity over extended periods of use.
Ready to Enhance Your Ultra-High Vacuum System?
KINTEK's CF Sapphire Glass Observation Windows deliver the exceptional reliability, pristine clarity, and long-lasting durability that your critical ultra-high vacuum applications demand. Leveraging our exceptional R&D capabilities and in-house manufacturing, we are committed to providing advanced solutions. Our strong deep customization capability means we can work with you to meet your unique experimental or industrial requirements.
For detailed specifications, to explore custom configurations, or to discuss how our observation windows can benefit your specific application, please contact our expert team today. We are ready to help you find the perfect UHV solution.
Trusted by Industry Leaders
4.8 / 5
Incredible quality! The sapphire glass is crystal clear and the stainless steel flange feels ultra-durable. Worth every penny!
4.7 / 5
Fast delivery and flawless packaging. This sight window exceeded my expectations—perfect for high-vacuum applications!
4.9 / 5
The precision engineering is top-notch. It’s a game-changer for our lab setup. Highly recommend!
4.6 / 5
Solid construction and excellent value. The sapphire glass resists scratches like a champ. Impressed!
4.9 / 5
Technologically advanced and reliable. Perfect for ultra-high vacuum systems. Delivery was lightning-fast!
4.7 / 5
A masterpiece of engineering. The fit and finish are impeccable. No regrets at all!
4.8 / 5
Durability meets elegance. This sight window is a must-have for serious researchers. Stellar performance!
4.7 / 5
Outstanding product! The sapphire glass provides unmatched clarity, and the flange seals perfectly. Bravo!
Product Datasheet
Ultra High Vacuum CF Flange Stainless Steel Sapphire Glass Observation Sight Window
REQUEST A QUOTE
Our professional team will reply to you within one business day. Please feel free to contact us!
Related Products
Ultra High Vacuum CF Observation Window Flange with High Borosilicate Glass Sight Glass
CF Ultra-High Vacuum Observation Window Flange with high borosilicate glass for precise UHV applications. Durable, clear, and customizable.
Ultra High Vacuum Observation Window KF Flange 304 Stainless Steel High Borosilicate Glass Sight Glass
KF Ultra-High Vacuum Observation Window with borosilicate glass for clear viewing in demanding vacuum environments. Durable 304 stainless steel flange ensures reliable sealing.
Ultra High Vacuum Observation Window Stainless Steel Flange Sapphire Glass Sight Glass for KF
KF flange observation window with sapphire glass for ultra-high vacuum. Durable 304 stainless steel, 350℃ max temperature. Ideal for semiconductor and aerospace.
Stainless Steel KF ISO Vacuum Flange Blind Plate for High Vacuum Systems
Premium KF/ISO stainless steel vacuum blind plates for high-vacuum systems. Durable 304/316 SS, Viton/EPDM seals. KF & ISO connections. Get expert advice now!
Ultra Vacuum Electrode Feedthrough Connector Flange Power Lead for High Precision Applications
Ultra-Vacuum Electrode Feedthroughs for reliable UHV connections. High-sealing, customizable flange options, ideal for semiconductor & space applications.
High Performance Vacuum Bellows for Efficient Connection and Stable Vacuum in Systems
KF ultra-high vacuum observation window with high borosilicate glass for clear viewing in demanding 10^-9 Torr environments. Durable 304 stainless steel flange.
Ultra High Vacuum Stainless Steel KF ISO CF Flange Pipe Straight Pipe Tee Cross Fitting
KF/ISO/CF ultra-high vacuum stainless steel flange pipe systems for precision applications. Customizable, durable, and leak-tight. Get expert solutions now!
CF KF Flange Vacuum Electrode Feedthrough Lead Sealing Assembly for Vacuum Systems
Reliable CF/KF flange vacuum electrode feedthrough for high-performance vacuum systems. Ensures superior sealing, conductivity & durability. Customizable options available.
304 316 Stainless Steel High Vacuum Ball Stop Valve for Vacuum Systems
KINTEK's 304/316 stainless steel vacuum ball valves and stop valves ensure high-performance sealing for industrial and scientific applications. Explore durable, corrosion-resistant solutions.
Spark Plasma Sintering SPS Furnace
Discover KINTEK's advanced Spark Plasma Sintering (SPS) Furnace for rapid, precise material processing. Customizable solutions for research and production.
Ultra-High Vacuum Flange Aviation Plug Glass Sintered Airtight Circular Connector for KF ISO CF
Ultra-High Vacuum Flange Aviation Plug Connector for aerospace & labs. KF/ISO/CF compatible, 10⁻⁹ mbar airtight, MIL-STD certified. Durable & customizable.
Vacuum Hot Press Furnace Machine Heated Vacuum Press
KINTEK Vacuum Hot Pressing Furnace: Precision heating & pressing for superior material density. Customizable up to 2800°C, ideal for metals, ceramics, and composites. Explore advanced features now!
RF PECVD System Radio Frequency Plasma Enhanced Chemical Vapor Deposition
KINTEK RF PECVD System: Precision thin-film deposition for semiconductors, optics & MEMS. Automated, low-temperature process with superior film quality. Custom solutions available.
High Pressure Laboratory Vacuum Tube Furnace Quartz Tubular Furnace
KINTEK High Pressure Tube Furnace: Precision heating up to 1100°C with 15Mpa pressure control. Ideal for sintering, crystal growth, and lab research. Customizable solutions available.
Mesh Belt Controlled Atmosphere Furnace Inert Nitrogen Atmosphere Furnace
KINTEK Mesh Belt Furnace: High-performance controlled atmosphere furnace for sintering, hardening & heat treatment. Customizable, energy-efficient, precise temperature control. Get a quote now!
Controlled Inert Nitrogen Hydrogen Atmosphere Furnace
Discover KINTEK's Hydrogen Atmosphere Furnace for precise sintering & annealing in controlled environments. Up to 1600°C, safety features, customizable.
1700℃ Controlled Inert Nitrogen Atmosphere Furnace
KT-17A Controlled Atmosphere Furnace: Precise 1700°C heating with vacuum & gas control. Ideal for sintering, research & material processing. Explore now!
1400℃ Controlled Inert Nitrogen Atmosphere Furnace
KT-14A Controlled Atmosphere Furnace for labs & industry. 1400°C max temp, vacuum sealing, inert gas control. Customizable solutions available.
1200℃ Controlled Inert Nitrogen Atmosphere Furnace
KINTEK 1200℃ Controlled Atmosphere Furnace: Precision heating with gas control for labs. Ideal for sintering, annealing, and material research. Customizable sizes available.